翔易科技有限公司
步進馬達
二相步進馬達
五相步進馬達
整合式步進馬達
ALL IN ONE步進馬達
步進驅動器
二相步進驅動器
五相步進驅動器
伺服馬達
整合式伺服馬達
AC標準型伺服馬達
37KW以下伺服馬達
直流無刷伺服馬達
伺服驅動器
整合式伺服驅動器
標準型伺服驅動器
37KW以下伺服驅動器
直流無刷伺服驅動器
BLDC馬達
利電 BLDC馬達
東元BLDC馬達
MTM BLDC馬達
BLDC驅動器
利電驅動器
DC24V驅動器
AC220V驅動器
DC馬達
DC MOTOR
PLANETARY GEARED MOTOR
SPUR GEARED MOTOR
WORM GEARED MOTOR
SERVO MOTOR
DC伺服驅動器
DC伺服驅動器
減速機
FLY行星式減速機
微動力減速機
渦桿減速機
可程式控制器
雙軸CSR230控制器
雙軸MC30控制器
1~3軸ANC控制器
1~4軸Arcus控制器
3軸MA3DR控制器
單軸EASY-NC控制器
單軸含步進驅動器
整合式控制器
手搖輪
TABLE
直線TABLE
X-YTABLE
編碼器
編碼器
電源供應器
電源供應器
工業相機
ALTAIR U CCD
ALTAIR 影像截取卡
首頁
/
二相步進馬達
/東元
DST 42型步進馬達
規格表
DST 56型步進馬達
規格表
DST 86型步進馬達
規格表
馬達
接線方式
四線式
六線式
八線式
馬達線色
黑
綠
紅
藍
黑
黃
綠
紅
白
藍
黑
綠
紅
藍
白
/
黑
白
/
綠
白
/
紅
白
/
藍
驅動器腳位定義
A
A-
B
B-
A
CA
A-
B
CB
B-
A
A-
B
B
CA
CB
A1:
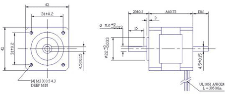
DST42型步進馬達
規
格
馬達出線
保持扭距
kg-cm
額定電流
A
線圈阻抗Ω
線圈感抗
mH
轉子慣量
(g-cm
2
)
重量
kg
馬達長度
Lmm
DST42ES61A
6
1.6
0.95
4.2
2.5
35
0.2
26
DST42EM61A
6
2.6
1.2
3.4
3.2
53
0.25
39
DST42EL61A
6
3.2
1.2
3.3
3.3
68
0.35
47
A2:
DST56型步進馬達
規
格
馬達出線
保持扭距
kg-cm
額定電流
A
線圈阻抗Ω
線圈感抗
mH
轉子慣量
(g-cm
2
)
重量
kg
馬達長度
Lmm
DST56EX63A
6
4.1
3
0.63
0.6
120
0.47
43.5
DST56EM63A
6
9
3
0.77
1.65
280
0.7
55
DST56EL82A
8
13
2
2.25
3.8
480
1
77.5
DST56EL2FA
4
17
4
0.5
2.2
480
1
100
A3:
DST86型步進馬達
規
格
馬達出線
保持扭距
kg-cm
額定電流
A
線圈阻抗Ω
線圈感抗
mH
轉子慣量
(g-cm
2
)
重量
kg
馬達長度
Lmm
DST86ES82A
8
31
3
1
4
1400
1.75
66
DST86ES83A
8
31
4.5
0.48
1.7
1400
1.75
66
DST86EM82A
8
62
3
1.5
6.6
2700
2.80
96
DST86EM83A
8
62
4.5
0.66
3
2700
2.80
96
DST86EL87A
8
93
6.7
0.95
5.5
4000
3.93
126
↑TOP
地址:桃園市中壢區內定九街9號 電話: (03)462-1790 傳真:(03)462-1792
e-mail : alex.hu0120@msa.hinet.net 本 公司代理各式步進/伺服馬達及驅動器,歡迎來電詢問